备自投装置 你为什么闭锁了
2023-09-14 千亿体育在线注册,千亿体育(中国)
变电站备自投原理知识分享
2022-10-17 千亿体育在线注册,千亿体育(中国)
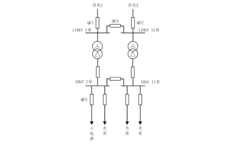
重庆千亿体育在线注册,千亿体育(中国)-小电源接入对备自投的影响
2022-09-06 千亿体育在线注册,千亿体育(中国)